Mô tả sản phẩm
- Cột được làm bằng thép mạ kẽm nhúng nóng
- Màu sơn: Cột có thể được sơn tùy theo yêu cầu: Đen mờ, Ghi sẫm, Xanh ô-liu
- Lắp được nhiều loại đèn sân vườn với công suất bóng khác nhau.
- Các đèn sân vườn sản xuất bởi HAPULICO phù hợp tiêu chuẩn EN 60598
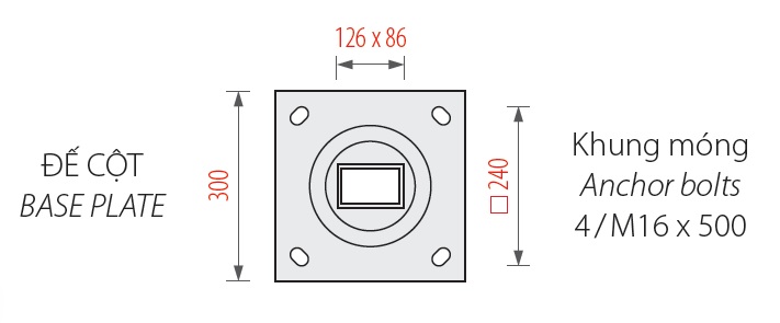
Kích thước - Lắp đặt
- H: 3500-4500mm.
- Cột được lắp dựng trên khung móng M16.
- Khoảng cách đặt đèn từ 15 đến 30m, tùy thuộc công suất bóng và địa hình nơi lắp đặt.
Hình ảnh








